SOCAY Original Factory ESD Protection Diode SE12D5V11GW Low Clamping Voltage 25V
ESD Protection Diode DATASHEET: SE12D5V11GW_v2108.1.pdf
ESD Protection Diode Features:
ESD Protection Diode Applications:
ESD Protection Diode Mechanical Characteristics:
ESD Protection Diode Pin Configuration:

ESD Protection Diode Absolute Maximum Ratings (TA=25℃ unless otherwise specified):
| Symbol | Parameter | Value | Units | |
| TL | Lead Soldering Temperature | 260 (10sec) | ºC | |
| TSTG | Storage Temperature Range | -55 to +150 | ºC | |
| TOP | Operating Temperature Range | -55 to +150 | ºC | |
| IEC61000-4-2 (ESD) | Air Discharge | ±30 | KV | |
| IEC61000-4-2 (ESD) | Contact Discharge | ±30 | ||
| IEC61000-4-4 (EFT) | 40 | A | ||
I-V Curve Characteristics:

| Symbol | Parameter |
| IPP | Maximum Reverse Peak Pulse Current |
| VC | Clamping Voltage @ IPP |
| VRWM | Working Peak Reverse Voltage |
| IR | Maximum Reverse leakage Current @ VRWM |
| IT | Test Current |
| VB | Breakdown Voltage @ IT |
| IF | Forward Current |
| VF | Forward Voltage @IF |
| C | Max Capacitance @VR=0V & f=1MHz |
ESD Protection Diode Electrical Characteristics (TA = 25℃ unless otherwise specified):
| Symbol | Conditions | Min | Typ | Max | Unit |
| VRWM | --- | --- | --- | 12.0 | V |
| VBR | IT = 1 mA | 14.1 | --- | --- | V |
| IR | VR =12V | --- | --- | 0.1 | μA |
| VC | IPP =5.0A, tp = 8/20μs | --- | --- | 25.0 | V |
| CJ | VR = 0V, f = 1MHz | --- | 55.0 | --- | pF |
Electrical Characteristics Curves:
Fig1. 8/20μs Pulse Waveform
Fig2. Positive 8KV contact per IEC 61000-4-2

Fig3. Negative 8KV contact per IEC 61000-4-2
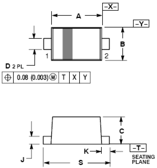
SOD-523 Package Outline & Dimensions:

| Symbol | Millimeters | Inches | ||||
| Min. | Nom. | Max. | Min. | Nom. | Max. | |
| A | 1.10 | 1.20 | 1.30 | 0.043 | 0.047 | 0.051 |
| B | 0.70 | 0.80 | 0.90 | 0.028 | 0.032 | 0.035 |
| C | 0.50 | 0.60 | 0.70 | 0.020 | 0.024 | 0.028 |
| D | 0.25 | 0.30 | 0.35 | 0.010 | 0.012 | 0.014 |
| J | 0.07 | 0.14 | 0.20 | 0.0028 | 0.0055 | 0.0079 |
| K | 0.15 | 0.20 | 0.25 | 0.006 | 0.008 | 0.010 |
| S | 1.50 | 1.60 | 1.70 | 0.059 | 0.063 | 0.067 |
