DFN2510-10L ESD Arrays SE05NRD34GU Working Voltage 5.0V For ESD Protection
ESD Arrays DATASHEET: SE05NRD34GU_v2307.1.pdf
ESD Arrays Features:
Response Time is < 1 ns
ESD Arrays Applications:
ESD Arrays Mechanical Characteristics:
ESD Arrays Functional Diagram:

ESD Arrays Absolute Maximum Ratings (TA=25℃ unless otherwise specified):
| Symbol | Parameter | Value | Units |
| TLST | Lead Soldering Temperature | 260 (10sec) | ℃ |
| TSTG | Storage Temperature Range | -55 to +150 | ℃ |
| TOPT | Operating Temperature Range | -55 to +125 | ℃ |
| VESD | ESD per IEC 61000-4-2(Air) | ±20 | KV |
| ESD per IEC 61000-4-2 (Contact) | ±15 | ||
I-V Curve Characteristics:
| Symbol | Parameter |
| IPP | Maximum Reverse Peak Pulse Current |
| VC | Clamping Voltage @ IPP |
| VRWM | Working Peak Reverse Voltage |
| IR | Maximum Reverse Leakage Current @ VRWM |
| VBR | Breakdown Voltage @ IT |
| IT | Test Current |
| IF | Forward Current |
| VF | Forward Voltage @ IF |
Electrical Characteristics (TA = 25℃ unless otherwise specified):
| Symbol | Test Condition | Minimum | Typical | Maximum | Units |
| VRWM | Any I/O pin to GND | -- | -- | 5.0 | V |
| IR | VRWM=5V, T=25℃ | -- | -- | 1.0 | μA |
| VBR | IT = 1mA | 6.0 | -- | -- | V |
| VC | IPP=1A, tp=8/20μs | -- | 10 | -- | V |
| VC | IPP=4A, tp=8/20μs | -- | 13 | -- | V |
| CJ | VR=0V, f=1MHz | -- | 0.60 | -- | pF |
| CJ | VR=0V, f=1MHz | -- | 0.40 | -- | pF |
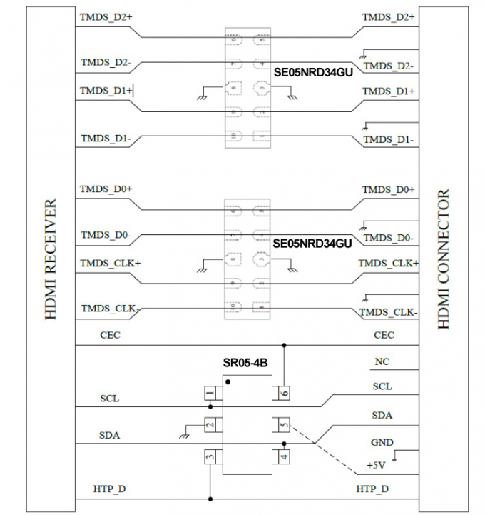
ESD Arrays Application Information:
Layout Top View for HDMI Interface with SE05NRD34GU
DFN2510-10L Package Outline & Dimensions:
| Symbol | Dimensions In Millimeters | ||
| Min. | Nom. | Max. | |
| A | 0.45 | 0.50 | 0.55 |
| A1 | -- | 0.02 | 0.05 |
| b | 0.15 | 0.20 | 0.25 |
| b1 | 0.35 | 0.40 | 0.45 |
| b2 | 0.20 | 0.25 | 0.30 |
| c | 0.10 | 0.15 | 0.20 |
| D | 2.45 | 2.50 | 2.55 |
| e | 0.50 BSC | ||
| Nd | 2.00 BSC | ||
| E | 0.95 | 1.00 | 1.05 |
| L | 0.35 | 0.40 | 0.45 |
| L1 | 0.075 REF | ||
| L2 | 0.050 REF | ||
| h | 0.08 | 0.12 | 0.15 |
| R | 0.05 | 0.10 | 0.15 |
